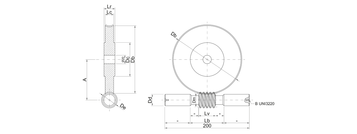
Schneckenwellen – Schneckenräder
Massgeschneiderte produkt
Von grosser Bedeutung ist bei der Gambini Meccanica Planung und Konstruktion: dank Forschung, und Tests, durchgeführt von den spezialisierten Technikern der Gambini Meccanica, können maßgeschneiderte Produkte in Zusammenarbeit mit den Kunden hergestellt werden.
Index
| SERIE | WERKSTOFF | WÄRMEBEHANDLUNG | OBERFLÄCHE | VERZAHNUNG | |
|---|---|---|---|---|---|
| Schneckenwellen | 700 |
20MnCr5 | einsatzgehärtet | gefräst | RE – RH |
| Schneckenräder | 705 | Bronzo | keine | gefräst | RE – RH |









