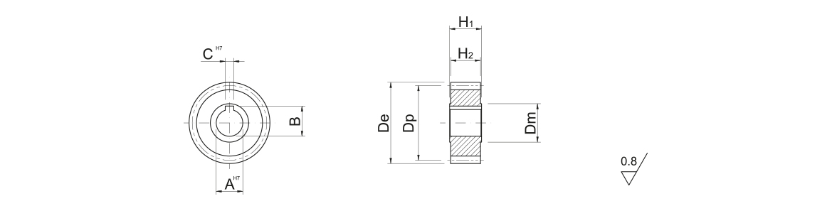
Stirnräder Geradverzahnt
Gambini Meccanica fertigt Präzisions-Stirnräder bis Modul 30, gefräst oder geschliffen, mit Gerad- oder Schrägverzahnung, rechts- oder linkssteigend und mit beliebigem Schrägungswinkel. Maximal erreichbarer Durchmesser ist 1000 mm.
Verfügbare Werkstoffe: C45, 18NiCrMo5, 20MnCr5, legierte und unlegierte Stähle, verschiedene Nylonarten, Gusseisen-Legierungen, Legierungen von herkömmlicher Bronze und Aluminium-Bronze, Aluminium- Legierungen, Edelstahl, verschiedene Arten von Bakelit.
Fragen Sie nach der technischen Broschüre über die Übertragungskraft der Zahnstangensysteme von Gambini Meccanica.
Massgeschneiderte produkt
Von grosser Bedeutung ist bei der Gambini Meccanica Planung und Konstruktion: dank Forschung, und Tests, durchgeführt von den spezialisierten Technikern der Gambini Meccanica, können maßgeschneiderte Produkte in Zusammenarbeit mit den Kunden hergestellt werden.
Index
| SERIE | QUALITÄT | WERKSTOFF | WÄRMEBEHANDLUNG | HRC | OBERFLÄCHE | NABE | VERFÜGBARE MODULE |
|---|---|---|---|---|---|---|---|
| 400 |
5e24 | 20MnCr5 | einsatzgehärtet | 60 | geschliffen | kurz | 1.5_2_2.5_3_3.183_4_5_6_8_10 |
| 405 |
5e24 | C45 | induktiv gehärtet | 55-58 | geschliffen | kurz | 1.5_2_2.5_3_3.183_4_5_6_8_10 |
| 410 |
5e24 | 20MnCr5 | einsatzgehärtet | 60 | geschliffen | lang | 1.5_2_2.5_3_3.183_4_5_6_8_10 |
| 415 |
5e24 | C45 | induktiv gehärtet | 55-58 | geschliffen | lang | 1.5_2_2.5_3_3.183_4_5_6_8_10 |
| 420 |
6e24 | 20MnCr5 | einsatzgehärtet | 60 | geschliffen | kurz | 1.5_2_2.5_3_3.183_4_5_6_8_10 |
| 425 |
6e24 | C45 | induktiv gehärtet | 55-58 | geschliffen | kurz | 1.5_2_2.5_3_3.183_4_5_6_8_10 |
| 430 |
6e24 | 20MnCr5 | einsatzgehärtet | 60 | geschliffen | lang | 1.5_2_2.5_3_3.183_4_5_6_8_10 |
| 435 |
6e24 | C45 | induktiv gehärtet | 55-58 | geschliffen | lang | 1.5_2_2.5_3_3.183_4_5_6_8_10 |
| 440 |
7e25 | 20MnCr5 | einsatzgehärtet | 60 | geschliffen | kurz | 1.5_2_2.5_3_3.183_4_5_6_8_10 |
| 445 |
7e25 | C45 | induktiv gehärtet | 55-58 | geschliffen | kurz | 1.5_2_2.5_3_3.183_4_5_6_8_10 |
| 450 |
7e25 | 20MnCr5 | einsatzgehärtet | 60 | geschliffen | lang | 1.5_2_2.5_3_3.183_4_5_6_8_10 |
| 455 |
7e25 | C45 | induktiv gehärtet | 55-58 | geschliffen | lang | 1.5_2_2.5_3_3.183_4_5_6_8_10 |
| 460 |
9e25 | C45 | keine | – | gefräst | kurz | 1.5_2_2.5_3_3.183_4_5_6_8_10 |
| 465 |
9e25 | C45 | keine | – | gefräst | lang | 1.5_2_2.5_3_3.183_4_5_6_8_10 |
| 470 |
10e25 | C45 | induktiv gehärtet | 55-58 | gefräst, Innenbohrung geschliffen | kurz | 1.5_2_2.5_3_3.183_4_5_6_8_10 |
| 475 |
10e25 | C45 | induktiv gehärtet | 55-58 | gefräst, Innenbohrung geschliffen | lang | 1.5_2_2.5_3_3.183_4_5_6_8_10 |









